


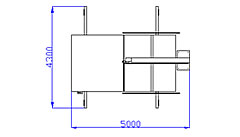
Available info
- Table length = cm. 240
- Table width from the square support to the blade = cm. 210
- Table width from the blade to the external platform = cm. 210
- Max height of the block = cm. 130
- Square height = cm. 110
- Blade sharpener including motors for double-way cutting
- Electronic device with option for semi-automatic or fully automatic work
- 3-lines program numerical control with dedicated software
- Power supply 380 V 50 Hz (when not differently mentioned)
- Power consumption 5 KW approx.