Available info
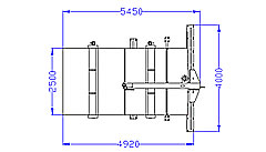
- Head run = cm. 235/240
- Square run = cm. 210
- Support square run = cm. 215
- Useful height for cutting = cm. 130
- The support square can make a slight pressure in the blocks to be cut, in order to keep them compact. The single-square version is available
- Moving of the cutting head through a big-section tempered and rectified steel guide, with ball-recirculating runners to prevent wear and tear risks
- The cutter is controlled by a 3-axis numerical control with dedicated software
- Easy to use, thanks to a liquid-crystal display that guides the operator during the work phases
- Power supply 380 V 50 Hz (when not differently mentioned)
- Power consumption 5 KW approx.


