


Available info
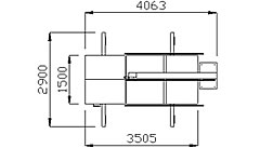
- Table length = cm. 150
- Table width from the square support to the blade = cm. 220
- Table width from the blade to the external platform = cm. 125
- Max height of the spool = cm. 120
- Square height = cm. 110
- Power consumption at 380 Volt 50 Hz = 3 KW
- V-inclined table
- Mechanical device for repeated cuttings of sheets
- Blade sharpener including motors for double-way cutting
- Electric panel with push-button commands on the table
- On demand: motorization of the blade-guard rod.