


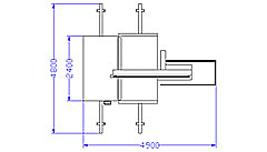
Available info
- Table length = cm. 240
- Table width from the square support to the blade = cm. 130
- Table width from the blade to the external platform = cm. 125
- Max height of the block = cm. 130
- Square height = cm. 40/80
- Mechanical device for repeated cuttings of sheets
- Blade sharpener including motors for double-way cutting
- Possibility of inclination over 45°
- Automatic device to go back to “0” (vertical blade)
- Power supply 380 V 50 Hz (when not differently mentioned)
- Power consumption 4 KW approx.